USRR4T-AJ ROV

USRR4T-AJ underwater ROV is developed for underwater security, underwater search and rescue, underwater salvage, underwater reconnaissance, underwater scientific archaeology, marine aquaculture and other fields. It can replace divers to work underwater for a long time, and is suitable for various underwater environments such as oceans, lakes, and rivers.

Features:
(1) Waterproof depth of 200 meters
(2) High-efficiency shore-based DC high-voltage power supply mode ensures that the machine works for a long time and avoids frequent charging problems
(3) Equipped with 1080P high-definition network muddy water imaging PTZ camera, with its own shallow water green light suppression algorithm and underwater automatic fog penetration function, it has better shooting effect than similar products in muddy water
(4) 2 high-brightness fixed LED lights, 2 camera head follow-up lights, the underwater lighting effect is better.
(5) Maintenance-free full-sealed high-power deep-water oil-filled thrusters, with a single maximum thrust of up to 12kg,
(6) It can realize constant-depth hovering and directional navigation
(7) The shore-based control system specially designed for underwater robots is reliable in function and easy to use.
(8) Zero buoyancy cable is used as transmission medium, which is tensile and wear-resistant
(9) Hidden waterproof cabin design, with smaller water resistance and larger space for peripheral equipment.
Availability:
Quantity:
facebook sharing button
twitter sharing button
line sharing button
wechat sharing button
linkedin sharing button
pinterest sharing button
whatsapp sharing button
sharethis sharing button

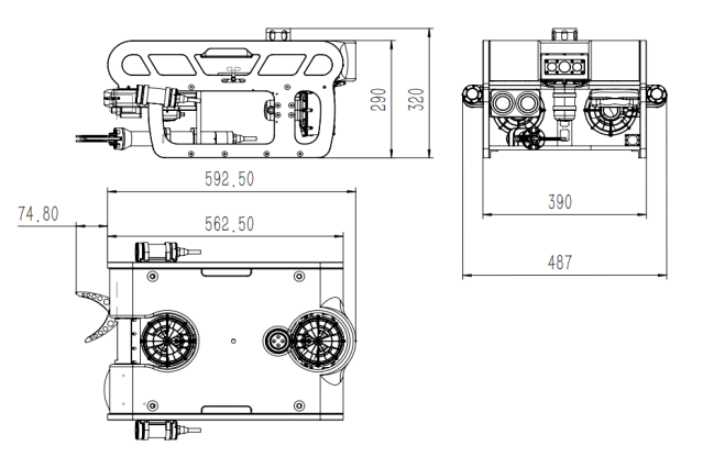
Overall Dimension

image.png

Product Specifications

Index

USRR4T-AJ

ROV

Rated Depth

200m

Camera

Aluminum alloy watertight shell, optical quartz glass, 200W pixel, 1080P HD IP camera, built-in image enhancement algorithm and underwater automatic fog penetration function,can effectively enhance the imaging of muddy water and suppress the greening of shallow water imaging

Camera Pan-Tilt

tilt gimbal,up 80°,down 80°

Underwater Thruster

Maintenance-free, fully sealed deep-water oil-filled thrusters, 2 horizontal and 2 vertical; forward thrust 20kg, vertical thrust 15kg

Sensor

Sensors for depth, temperature, compass, attitude, water leak detection

Automatic Function

hovering at fixed depth, directional sailing

Light

two 5000 lumens high-brightness fill lights, two 1500 lumens fill lights (camera PTZ follow-up lights)

Frame Material

HDPE material

Extensibility

Can be equipped with manipulators, multi-beam sonar, underwater acoustic positioning and other equipment

Power

Shore-based power supply, the maximum power is 1500W

Size

593×390×300mm (L×W×H)

Weight

About 22kg, portable, can be operated by one person

Cable

Cable Length

Standard 100 meters

Cable Specifications

Underwater special zero-buoyancy composite cable, polyurethane foam sheath, containing Kevlar fiber, tensile strength 100kg

Wire Take-up

Special ROV dedicated cable take-up

Size

475×330×395mm(L×W×H)

Weight

18kg

Deck unit

Material

PP material waterproof box

Monitor

17-inch high-brightness LED screen with 1000nits brightness and a brightness adjustment knob, suitable for indoor and outdoor environments; it can real-time display underwater images, submersible robot depth, attitude, and other information

Control Host

I5 CPU, 8G memory, 120G SSD, WIN10 operating system

Panel Interface

1 power supply port, 1 main cable (ROV) port, 1 reserved RJ45 external output port, 1 USB port

panel Indication

Real-time display of system voltage and current

Operating the Keyboard

Full metal waterproof keyboard with integrated mouse

Safety

With air switch and leakage protector, with grounding terminal, it is used for reliable grounding with generator during field work. The main cable interface includes the protective ground wire connected to the underwater robot

Manipulate

Use wireless handle control, connect with the host wirelessly

Size

472×413×216mm(L×W×H)

Weight

15kg

Power

AC220V AC power supply

Other

Package

Special air transport box, including ROV system, the total weight is about 70KG

Guided by a customer-first service philosophy, we consistently deliver superior products and services, striving to become a top-tier marine intelligent equipment hardware manufacturer and solution provider.

Contact Us

Email: teena@fulldepth.cn
WhatsApp: +8613723476882
Tel: +86-137-2347-6882
Add:A1213 Niulanqian Mansion, Minzhi Blvd, Longhua District, Shenzhen City, Guangdong Province, China

Quick Links

Products

Sing Up For Our NewsLetter

Copyright © 2026 Shenzhen FullDepth Technology Co., Ltd. All Rights Reserved. Privacy PolicySitemap